BSA A65 Thunderbolt     -   Electric start kit.


January 11th 2024

 

 

What lurks inside ?

The box arrives.


Check the contents.


 

Instructions and a contents list.

The starter button and the crank oil seal were not in the kit . . . an email sorted that out.

No.6 in the instructions says  fit the front engine pulley and install the belt over the pulley guide plates.

The guide plates are too big  to fit into the crankcase - so it was out with the die grinder and remove some metal until they do fit.

Ah - the pulley would not fit onto the splines  - not even with a bit of persuasion from my copper hammer.

Fortunately I was a tool maker back in my working days, so a deft bit of file work ( like about three hour's worth )

had the pulley fitting.   Of course, you also have to have a way of removing it.  Two 3/8 X 4" u.n.f. bolts were ordered.


   

Material needed to be removed before the pulley guide plates would fit.

 

A couple of bolts need in order to remove the pulley


 

The next little snag was the new primary chaincase being a bit wider than the original.

This meant the foot rest would not go back on, and being on a taper fit, it couldn't just be spaced out.

The original foot rest had to be cut off and the tapered part welded into a tube.

This spaced the foot rest out by around half an inch - not a lot, but enough to prevent it from fouling the new chaincase.


 

   

The new chaincase is around half an inch wider than the original    -  a little bit of fabrication work was needed before the foot rest would fit in the correct place.


 

So far this has not been a "plug and play" fitting.  Quite a bit of machining and fabrication has been done before the kit worked.

Not something I'd expect from a kit costing over £3000.   Anyway - it's all done now, so time for a test ride.

The starter works well, and fires the engine up without any hesitation.  The clutch feels a little "grabby", but I can look at that later.

 


 

March 18th 2024

Seeing as it was a dry and fairly warm day, I headed off for a ride around Shropshire.

I got as far as Hagley - a grand total of 17 miles - when I lost all drive.   Oh dear - I don't think that was supposed to happen.

I called the AA - and this is what was found when they took the primary side off.

I got recovered back home - some six hours after I'd set off.

 

Not a pretty sight.


 

Let's take a look at what's gone wrong.

 

   

The belt has melted and fused to the pulley - I don't know yet if it has destroyed the insulation on the alternator stator.



To say I'm disappointed would be a bit of an understatement.   I looked at the spec. of the belt supplied and the temperature range

was between -30°C and +80°C.   Is this a case of the wrong belt being supplied ?

If this had been a cheap aftermarket Chinese kit, then I could understand things not working as they should, but from

a reputable company and a kit that cost over £3000, I think it's a damn poor show.

I got in touch with Shropshire Classics and they asked if they could collect the bike and

see about putting it right.    "No problem" I told 'em.

 



Paul, from Shropshire Classics came and collected the A65 on March 22nd - then on March 28th the bike was bought back to me by

Nick from Ark Racing.  We had a discussion on what went wrong.  I still think it's the wrong belt, but I was assured this was the correct one.

 

The next day, March 29th, I took the A65 out on test.  The clutch felt a bit "grabby", despite the kit's advertising saying

"We are confident the kit will transform the riding experience with one-touch starting and improved transmission. The kit is built bespoke to your BSA unit twin"

I managed to get 35 miles this time before the belt gave way again.

Luckily a friend of mine has the keys to my house & my van - so he grabbed the trailer and got me back home.

 

On April 10th, Nick came and collected the bike, and two days later on April 12th he bought it back.

This time with a red ( as opposed to grey ) Synchroflex belt.  

This is the belt that should have been supplied - it was the belt supplier, not Ark Racing that made the mistake.


 

 Once again I took the bike out on test.  This time I managed

172 miles without any belt problems . . . and the next day I did 163 miles.  So I think we can safely say that the belt problem

is now behind us.   Now all that is left is the problem of the dry clutch being too grabby.   First of all I tried "double stacking" the clutch plates.

That is two pressure plates together and two friction plates together - still no better.   Someone said that the new

Surflex plates will be fine running dry, so I bought a new set of Surflex clutch plates.   No better, the clutch still made riding the bike

more of a chore than a pleasure.  In fact the bike was impossible to ride in stop-start traffic. . . . so much for  'improved transmission'


 

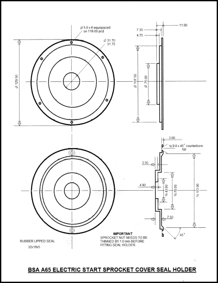
It seems the only way this clutch will be happy is if it's running in oil.  Now the electric start kit has a new plate that fits where the BSA oil seal holder

used to fit - and this new plate has a two inch hole in it, so that ain't going to hold oil.  Also, where the starter motor fits there is a gap between the

starter and the chain case.   A bit of measuring found that there was only about one eighth of an inch clearance between the gearbox sprocket nut

and the clutch centre boss on the gearbox  main shaft.   The original BSA oil seal is 1/4" thick, after a bit of shopping around I managed to find

one that was only 1/8" thick.   Even with this, there wasn't much clearance, so I turned around .040" off the sprocket nut.  After much trial and error

I made a prototype oil seal holder.   All I have to do now is figure out how to stop the oil from coming out beneath the starter motor.

The fabricated primary drive oil seal holder and the new thinner seal.


 

May 24th and I take the A65 on the BSA Owners Club national rally.

Folks there were very impressed by the way the bike started.  It starts instantly, with little or no mechanical noise.

I managed to stop most of the oil from leaking beneath the starter motor by using silicon sealant.  This is not ideal, but at the moment I haven't

found a better way to solve this problem.  Seeing as this idea worked, the next move was to make a better, one piece oil seal holder.

Using the prototype as a pattern, a new one was made from some 10mm aluminium plate.

   

The primary drive oil seal holder - the experimental one and the one piece version - so far it seems to have done the trick.

 


 

November 2024

OK - so it's taken me around 10 months all told,

but since fitting the primary oil seal, I have put around 1500 miles on the bike.

The starter has worked faultlessly every time - the clutch, although not as good as the original BSA one is now useable.



In summary:

The electric start is excellent.  It starts the bike without any hesitation - each and every time.

The kit is not an "out of the box" fit - some parts have to be made to fit.

The initial problem with the drive belt has been sorted out.

The clutch does not like to run dry { at least mine didn't }

With the price of classic British bikes falling, the kit costs almost what the bike is now worth.



Would I still buy this kit knowing what I know now ?

Yes - despite having to sort most of it out myself, I think it's worthwhile.


 

1"